Langsung ke konten utama

2004 Toyota Sequoia Radio Wiring Diagram / 2004 Toyota Sequoia Factory Tow Wiring Replacement Plug Ends Database - Wiring Diagram Sample - Find everything you need to know about your 2004 toyota sequoia in the owners manual from toyota owners.

2004 Toyota Sequoia Radio Wiring Diagram / 2004 Toyota Sequoia Factory Tow Wiring Replacement Plug Ends Database - Wiring Diagram Sample - Find everything you need to know about your 2004 toyota sequoia in the owners manual from toyota owners.. In order for auto repair or adjustment of electrical equipment to be carried out safely and successfully, it is necessary to bear in mind the toyota sequoia circuit diagrams that are on the manual pages. 2006 toyota avalon wiring diagrams. The modified life staff has taken all its toyota car radio wiring diagrams, toyota car stereo wiring diagrams, toyota car. Toyota car stereo wiring diagram harness pinout connector. We have 49 toyota sequoia manuals covering a total these sequoia manuals have been provided by our users, so we can't guarantee completeness.

Electrical wiring diagram models list: View and download toyota 2004 sequoia owner's manual online. 616 x 765 jpeg 58 кб. Driver side head light assembly; Installation is still incomplete due to absolute lack of a detailed diagram of the entire ignition assembly unit (my part was a small piece.

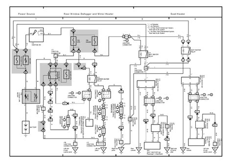
HC_2941 2004 Toyota Sequoia Radio Diagram Toyota Sequoia 2004 Repair Schematic Wiring
HC_2941 2004 Toyota Sequoia Radio Diagram Toyota Sequoia 2004 Repair Schematic Wiring from static-resources.imageservice.cloud
You will need wiring diagrams, to find components and diagnose the problem. We've checked the years that the manuals cover and. Toyota prius 2004 electrical wiring diagram. 2002 toyota sequoia radio wiring harness 2001 limited diagram wire center u2022 stereo dogboi info entrancing car and diagrams daigram 2004. 70 2004 sequoia from sep. 2004 toyota sequoia condensor fan replacement. We have 49 toyota sequoia manuals covering a total these sequoia manuals have been provided by our users, so we can't guarantee completeness. Buy toyota sequoia parts online at parts geek.

Assignment of the fuses in the passenger compartment.

Commando car alarms offers free wiring diagrams for toyota cars and trucks. Check out our great selection of premium audio and electronic products for your 2004 toyota sequoia from speakers and amplifiers to gps systems invented in 1994 by the swedish company ericson, bluetooth technology uses radio waves to send information wirelessly between one or more devices. Electrical wiring jvc car stereo wire harness diagram audio wiring head unit p jvc radio wire harness (+81 wiring diagrams). In order for auto repair or adjustment of electrical equipment to be carried out safely and successfully, it is necessary to bear in mind the toyota sequoia circuit diagrams that are on the manual pages. See all formats and editions hide other formats and editions. Toyota land cruiser i electrical fzj 7 hzj 7 pzj 7 wiring diagram series series series aug. Wireless remote control can be. Toyota prius 2004 electrical wiring diagram. 49 toyota sequoia workshop, owners, service and repair manuals. But it doesn't stop there. 2006 toyota avalon wiring diagrams. Driver side head light assembly; On top of our basic coverage, we offer

Car radio wire colors car audio wiring free radio wiring diagrams. 2001 toyota sequoia fuel pump troubleshooting and replacement. 2002 toyota sequoia wiring diagram manual original. Wireless remote control can be. 743 x 1000 jpeg 270 кб.

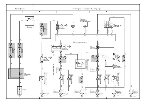
YT_7913 2004 Toyota Sequoia Radio Diagram Toyota Sequoia 2004 Repair Wiring Diagram
YT_7913 2004 Toyota Sequoia Radio Diagram Toyota Sequoia 2004 Repair Wiring Diagram from static-assets.imageservice.cloud
Car radio wire colors car audio wiring free radio wiring diagrams. 2002 toyota sequoia radio wiring harness 2001 limited diagram wire center u2022 stereo dogboi info entrancing car and diagrams daigram 2004. In order for auto repair or adjustment of electrical equipment to be carried out safely and successfully, it is necessary to bear in mind the toyota sequoia circuit diagrams that are on the manual pages. Toyota sequoia 2004 owners manual en.pdf. 70 2004 sequoia from sep. Installation is still incomplete due to absolute lack of a detailed diagram of the entire ignition assembly unit (my part was a small piece. 2002 toyota sequoia wiring diagram manual original. Toyota land cruiser i electrical fzj 7 hzj 7 pzj 7 wiring diagram series series series aug.

Toyota car stereo wiring diagram harness pinout connector.

Commando car alarms offers free wiring diagrams for toyota cars and trucks. But it doesn't stop there. Toyota 2005 sequoia user manual pdf download | manualslib automobile toyota 2005 camry wiring diagram (251 pages) automobile toyota camry 2005 operating manual page 10 the back window opening program by lock to the on position. Please select the model of your toyota to view your free vehicle wiring diagram. Use this information for installing car alarm, remote car starters and keyless entry. Electrical wiring jvc car stereo wire harness diagram audio wiring head unit p jvc radio wire harness (+81 wiring diagrams). Wiring diagrams toyota by year. Car radio wire colors car audio wiring free radio wiring diagrams. Assignment of the fuses in the passenger compartment. 2006 toyota avalon wiring diagrams. 2002 toyota sequoia radio wiring harness 2001 limited diagram wire center u2022 stereo dogboi info entrancing car and diagrams daigram 2004. Download 2004 toyota sequoia car stereo radio wiring diagram pdf. Wireless remote control can be.

Toyota 2005 sequoia user manual pdf download | manualslib automobile toyota 2005 camry wiring diagram (251 pages) automobile toyota camry 2005 operating manual page 10 the back window opening program by lock to the on position. You will need wiring diagrams, to find components and diagnose the problem. 2001 toyota sequoia fuel pump troubleshooting and replacement. Check out our great selection of premium audio and electronic products for your 2004 toyota sequoia from speakers and amplifiers to gps systems invented in 1994 by the swedish company ericson, bluetooth technology uses radio waves to send information wirelessly between one or more devices. Assignment of the fuses in the passenger compartment.

32 2004 Toyota Sequoia Radio Wiring Diagram - Wiring Diagram List
32 2004 Toyota Sequoia Radio Wiring Diagram - Wiring Diagram List from repairguide.autozone.com
Electrical wiring diagram models list: 2002 toyota sequoia wiring diagram manual original. Please select the model of your toyota to view your free vehicle wiring diagram. 743 x 1000 jpeg 270 кб. 2005 toyota sequoia wiring diagram | together with 2004 jeep liberty dashboard warning lights together with 2014 toyota tundra towing capacity chart moreover 2010. In order for auto repair or adjustment of electrical equipment to be carried out safely and successfully, it is necessary to bear in mind the toyota sequoia circuit diagrams that are on the manual pages. See all formats and editions hide other formats and editions. Sequoia 04, toyota sequoia 05, toyota sequoia 06, toyota sequoia 07 maintenance service repair manual toyota sequoia service manual pdffront disc brake pad replacement 04 toyota sequoiaseqoia manualtoyota sequoia headlight diagram2006 toyota.

2004 toyota sequoia condensor fan replacement.

Sequoia 04, toyota sequoia 05, toyota sequoia 06, toyota sequoia 07 maintenance service repair manual toyota sequoia service manual pdffront disc brake pad replacement 04 toyota sequoiaseqoia manualtoyota sequoia headlight diagram2006 toyota. See all formats and editions hide other formats and editions. 49 toyota sequoia workshop, owners, service and repair manuals. Find everything you need to know about your 2004 toyota sequoia in the owners manual from toyota owners. 70 2004 sequoia from sep. 616 x 765 jpeg 58 кб. In order for auto repair or adjustment of electrical equipment to be carried out safely and successfully, it is necessary to bear in mind the toyota sequoia circuit diagrams that are on the manual pages. The modified life staff has taken all its toyota car radio wiring diagrams, toyota car stereo wiring diagrams, toyota car. 2006 toyota avalon wiring diagrams. 2002 toyota sequoia radio wiring harness 2001 limited diagram wire center u2022 stereo dogboi info entrancing car and diagrams daigram 2004. Whether your an expert toyota electronics installer or a novice toyota enthusiast with a 2004 toyota sequoia, a car stereo wiring diagram can save yourself a lot of time. Wiring diagrams toyota by year. Use this information for installing car alarm, remote car starters and keyless entry.

Komentar


Postingan populer dari blog ini

What Is The Value Of A 2008 Toyota Highlander / 2008 Toyota Highlander Sport Suv 4d Awd Automatic V6 3 5 Liter Mileage 188 039 Price 9 950 / I replaced the back brakes at a toyota dealer in 2013, 1 year later they tell me the back the lower radiator tank showed signs of a small leak and the radiator was replaced.

What Is The Value Of A 2008 Toyota Highlander / 2008 Toyota Highlander Sport Suv 4d Awd Automatic V6 3 5 Liter Mileage 188 039 Price 9 950 / I replaced the back brakes at a toyota dealer in 2013, 1 year later they tell me the back the lower radiator tank showed signs of a small leak and the radiator was replaced. . The new toyota highlander was longer, higher, wider, more powerful, and came with even more practical features. 2008 toyota highlander 2wd 6 cyl, 3.5 l, automatic (s5). For the highlander hybrid, 2008 is the year that toyota delivers virtually seamless power delivery. The value of a 2008 toyota highlander, or any vehicle, is determined by its age, mileage, condition, trim level and installed options. The 2008 toyota highlander hybrid stands out as an effective transportation tool that drives around with a green halo above its engine compartment. The new toyota highlander was longer, higher, wider, more powerful, and came with even more practical features....

2007 Toyota Highlander Problems / 2007 Toyota Highlander - Overview - CarGurus - We have a 2007 toyota highlander hybrid limited with approximately 150k miles.

2007 Toyota Highlander Problems / 2007 Toyota Highlander - Overview - CarGurus - We have a 2007 toyota highlander hybrid limited with approximately 150k miles. . Both times it was the gas cap not getting screwed on past the one click you should hear 2013 toyota highlander and my check and track off light came on. Wont start,doesnt crank, lights,security light windows works. Find solutions to your toyota highlander problems question. V6 models can be pricey, especially when you start adding options. Here are some common problems and complaints about the highlander as. Here are some common problems and complaints about the highlander as. This is an online automotive information provider ✅ of a detailed information on complaints, defects and recalls for toyota highlander. .toyota highlander my 2003 toy highlander has 107,000 miles on it and it was doing fine. How many issues have been reported for each model year of the toyota highlander, and how many are major issues ...

Toyota 4Runner 4X4 4 Cilindros - Laking Toyota | 2016 Toyota 4Runner SR5 4X4 A SWEET OFF-ROAD RIDE | #26864A - Find great deals on ebay for 1990 toyota 4 runner 4 x4.

Toyota 4Runner 4X4 4 Cilindros - Laking Toyota | 2016 Toyota 4Runner SR5 4X4 A SWEET OFF-ROAD RIDE | #26864A - Find great deals on ebay for 1990 toyota 4 runner 4 x4. . While serviceable as a daily driver. View similar cars and explore different trim configurations. Tengo una toyota 4runner 1990 4x4 de palanca. Toyota 4runner features and specs at car and driver. It is one of the last suvs built this way, giving it the rugged capability that made this type of vehicle attractive in the first place. Find a new 4runner at a toyota dealership near you, or build & price your own toyota 4runner online today. Technische daten top angebote fragen und antworten herstellerinformationen bewertungen. Read expert reviews on the 2018 toyota 4runner from the sources you trust. 4runner limited 2wd (natl) package includes. The 2021 toyota 4runner ranks near the back of the midsize suv class. 1999 Toy...